Địa chỉ: Tầng 7, Căn số 32V5A, KĐT Văn Phú, phường Phú La, quận Hà Đông, TP. Hà Nội
Thời gian làm việc: Từ 8h - 17h từ Thứ 2 đến Thứ 6. Sáng thứ 7 từ 8h-12h, nghỉ Chủ Nhật
Địa chỉ: 228/55, Thống Nhất, P. 10, Q. Gò Vấp, TP. HCM
Thời gian làm việc: Từ 8h - 17h từ Thứ 2 đến Thứ 6. Sáng thứ 7 từ 8h-12h, nghỉ Chủ Nhật
| Hình | Mã hàng | Mô tả | Giá bán (vnđ) | Số lượng |
|---|
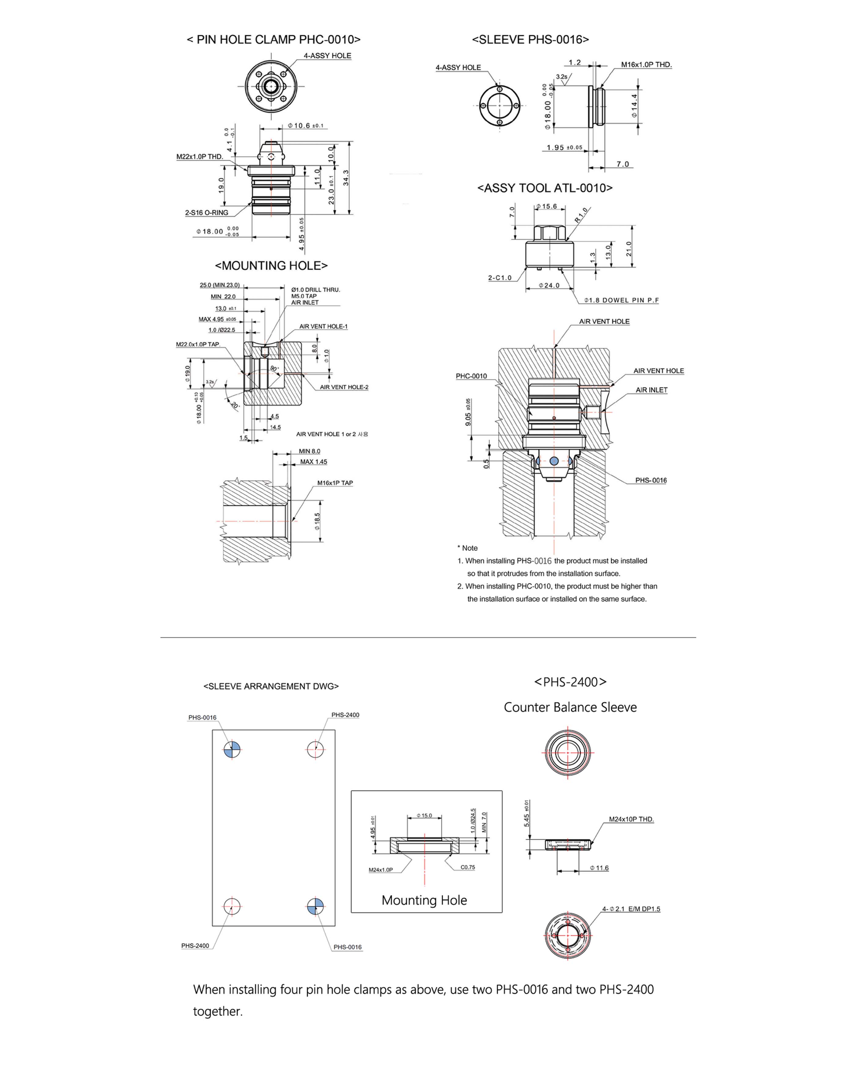
Là cơ cấu Kẹp Chốt Lỗ tích hợp khả năng kẹp và định vị (clamping and positioning) trong một thiết bị.
Kích thước nhỏ gọn (Compact size): Thiết kế thân ren (M22) giúp dễ dàng lắp đặt vào đồ gá trong không gian chật hẹp.
Tác động đơn (Single-acting): Sử dụng khí nén để kẹp và lò xo để nhả.
Lực giữ cao: Cung cấp Lực giữ (Holding Force) lên đến 100 kgf, đảm bảo phôi được giữ cố định chắc chắn trong quá trình gia công.
Độ lặp lại cao (Repeatability): Đạt độ lặp lại 0.1 mm, đảm bảo độ cứng cao và độ chính xác lặp lại cho các chu trình gá phôi.
Vận hành bằng Khí nén: Sử dụng khí nén với áp suất tối đa 9.99 kgf/cm², an toàn và dễ dàng tích hợp vào hệ thống tự động hóa.
Năng suất cao: Giảm thiểu thời gian gá đặt nhờ chức năng định vị và kẹp đồng thời, đạt hiệu suất cao cho sản xuất.
Dòng sản phẩm: PHC (Pin Hole Clamp).
Loại vận hành: Khí nén (Air), tác động đơn (Single-Acting).
Chức năng: Kẹp và Định vị (Clamping and Positioning).
Đường kính thân (Housing Dia.): M22.
Áp suất vận hành (Operating Pressure): 3 ~ 9.99 kgf/㎠.
Nhiệt độ vận hành (Operating Temperature): 0 ~ 70 độ C.
Mã ví dụ & Thông số:
PHC-0010:
Lực kẹp (Locking Force): 10 kgf
Lực giữ (Holding Force): 100 kgf
Độ lặp lại (Repeatability): 0.1 mm
Trọng lượng (Weight): 40g
| Model No. | Locking Force | Holding Force | Repeatability | Weight | Operating Pressure | Operating Temperature |
|---|---|---|---|---|---|---|
| PHC-0010 | 10kgf | 100kgf | 0.1mm | 40g | 3~9.9kgf/㎠ | 0~70℃ |


THIẾT BỊ CƠ KHÍ ĐỨC PHONG
Hà Nội: Tầng 7, Căn số 32V5A, KĐT Văn Phú, phường Phú La, quận Hà Đông, TP. Hà Nội
Hotline: 0985779287 (Zalo)
website: Thiết bị cơ khí Đức Phong
Mail: Info@ducphong.vn
Hỗ trợ 24/7
Chi nhánh Hồ Chí Minh: 228/55, Thống Nhất, P. 10, Q. Gò Vấp, TP. HCM
Đánh giá Kẹp chốt lỗ khí nén KJF PHC
Bạn chưa đánh giá sao cho sản phẩm này
Đánh giá ngayHotline
0985779287
Info@ducphong.vn
Hotline
098 5779287 (Zalo)
098 5779287 (Zalo)
vananh.ng@ducphong.vn
Info@ducphong.vn
Hotline: 098 5779287 (Zalo)