Địa chỉ: Tầng 7, Căn số 32V5A, KĐT Văn Phú, phường Phú La, quận Hà Đông, TP. Hà Nội
Thời gian làm việc: Từ 8h - 17h từ Thứ 2 đến Thứ 6. Sáng thứ 7 từ 8h-12h, nghỉ Chủ Nhật
Địa chỉ: 228/55, Thống Nhất, P. 10, Q. Gò Vấp, TP. HCM
Thời gian làm việc: Từ 8h - 17h từ Thứ 2 đến Thứ 6. Sáng thứ 7 từ 8h-12h, nghỉ Chủ Nhật
| Hình | Mã hàng | Mô tả | Giá bán (vnđ) | Số lượng |
|---|
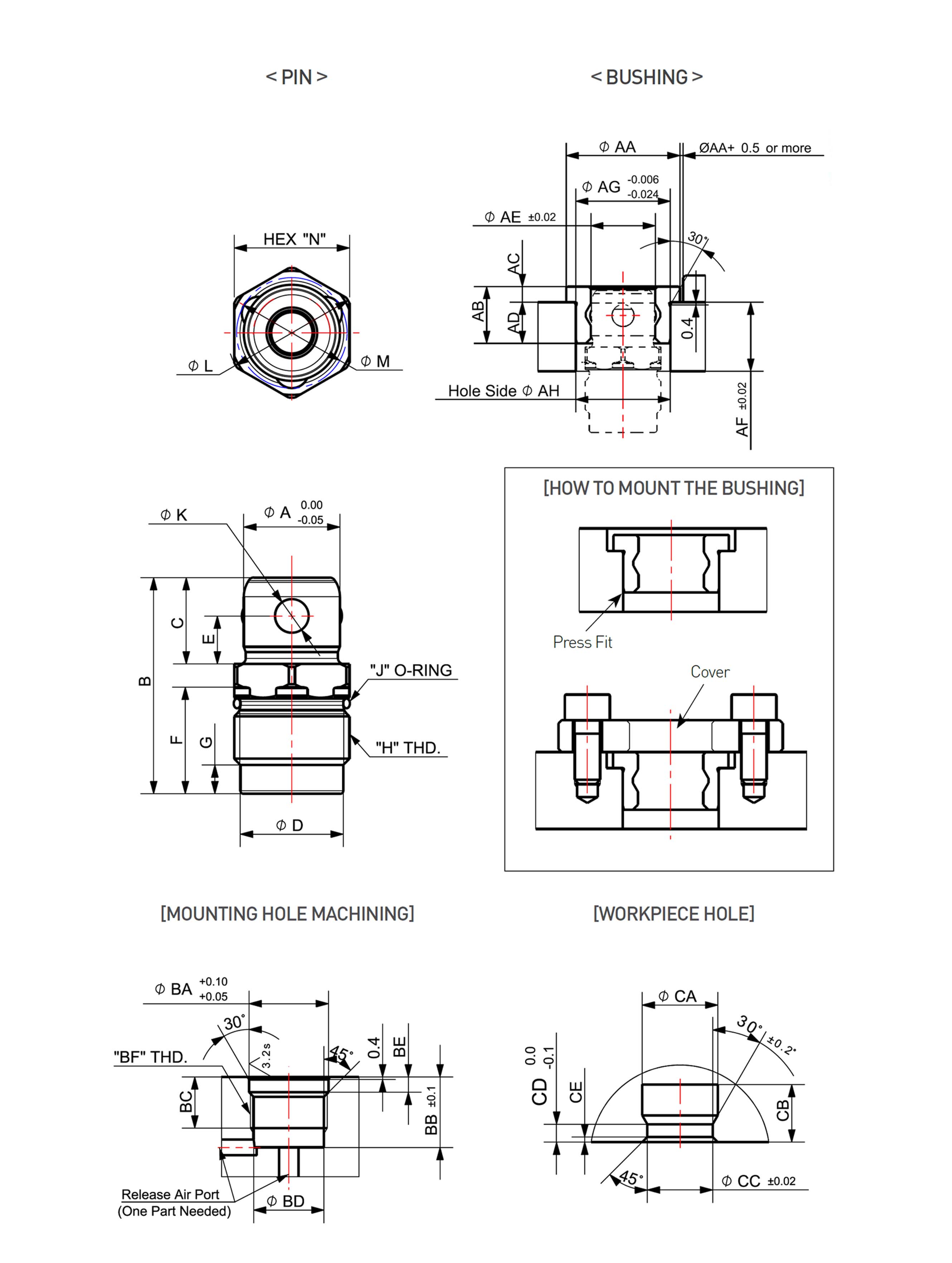
Là loại Kẹp Khóa Bi vận hành bằng khí nén (Air), tác động đơn (Single-Action), cung cấp khả năng kẹp và định vị nhanh chóng.
Khóa mạnh mẽ (Strong Locking): Sử dụng cơ chế khóa bằng bi, cung cấp Lực giữ (Holding Force) cao (tối đa 20 kgf cho mã BLC-1620), đảm bảo tấm gá/phôi được cố định chắc chắn.
Kích thước nhỏ gọn (Compact Size): Thiết kế tối ưu cho việc tích hợp vào các đồ gá tự động, tiết kiệm không gian.
Độ cứng ổn định: Vận hành tin cậy trong dải áp suất 2.5 đến 7.1 kgf/㎠, đảm bảo độ cứng cao và độ ổn định trong vận hành.
Lắp đặt chính xác: Phù hợp với các loại chốt Pin và ống lót Bushing tương ứng (có kích thước Ø6.5 đến Ø16), đảm bảo định vị chính xác và lặp lại.
Năng suất cao: Cơ chế kẹp và nhả nhanh chóng bằng khí nén giúp giảm đáng kể thời gian thay đổi đồ gá hoặc phôi, đạt hiệu suất cao cho sản xuất.
Dòng sản phẩm: BLC (Ball Lock Clamps).
Loại vận hành: Khí nén (Air), tác động đơn (Single-Action).
Chức năng chính: Khóa và định vị nhanh.
Dải đường kính ngoài (External Diameter): ø6.5 ~ ø16.
Dải áp suất vận hành (Operating Pressure Range): 2.5 ~ 7.1 kgf/㎠.
Nhiệt độ vận hành (Operating Temperature Range): 0 ~ 70 độ C.
Các mã ví dụ & Lực giữ:
BLC-0605: Lực giữ 5 kgf, Đường kính ngoài Pin 6.5 mm.
BLC-1010: Lực giữ 10 kgf, Đường kính ngoài Pin 10.0 mm.
BLC-1620: Lực giữ 20 kgf, Đường kính ngoài Pin 16.0 mm.
| Model No. | Holding Force(kgf) | Fluid | Release Air Capacity(㎤) | Weight(kg) | Operating Pressure Range (kgf/㎠) | Operating Temperature Range(℃) | |
|---|---|---|---|---|---|---|---|
| Pin | Bushing | ||||||
| BLC-0605 | 5 | Air | 0.08 | 0.007 | 0.004 | 2.5~7.1 | 0~70 |
| BLC-0807 | 7 | 0.08 | 0.008 | 0.005 | |||
| BLC-1010 | 10 | 0.15 | 0.013 | 0.008 | |||
| BLC-1215 | 15 | 0.26 | 0.020 | 0.009 | |||
| BLC-1620 | 20 | 0.49 | 0.045 | 0.019 | |||


THIẾT BỊ CƠ KHÍ ĐỨC PHONG
Hà Nội: Tầng 7, Căn số 32V5A, KĐT Văn Phú, phường Phú La, quận Hà Đông, TP. Hà Nội
Hotline: 0985779287 (Zalo)
website: Thiết bị cơ khí Đức Phong
Mail: Info@ducphong.vn
Hỗ trợ 24/7
Chi nhánh Hồ Chí Minh: 228/55, Thống Nhất, P. 10, Q. Gò Vấp, TP. HCM
Đánh giá Kẹp khóa bi khí nén KJF BLC (BALL LOCK CLAMPS)
Bạn chưa đánh giá sao cho sản phẩm này
Đánh giá ngayHotline
0985779287
Info@ducphong.vn
Hotline
098 5779287 (Zalo)
098 5779287 (Zalo)
vananh.ng@ducphong.vn
Info@ducphong.vn
Hotline: 098 5779287 (Zalo)