Địa chỉ: Tầng 7, Căn số 32V5A, KĐT Văn Phú, phường Phú La, quận Hà Đông, TP. Hà Nội
Thời gian làm việc: Từ 8h - 17h từ Thứ 2 đến Thứ 6. Sáng thứ 7 từ 8h-12h, nghỉ Chủ Nhật
Địa chỉ: 228/55, Thống Nhất, P. 10, Q. Gò Vấp, TP. HCM
Thời gian làm việc: Từ 8h - 17h từ Thứ 2 đến Thứ 6. Sáng thứ 7 từ 8h-12h, nghỉ Chủ Nhật
| Hình | Mã hàng | Mô tả | Giá bán (vnđ) | Số lượng |
|---|
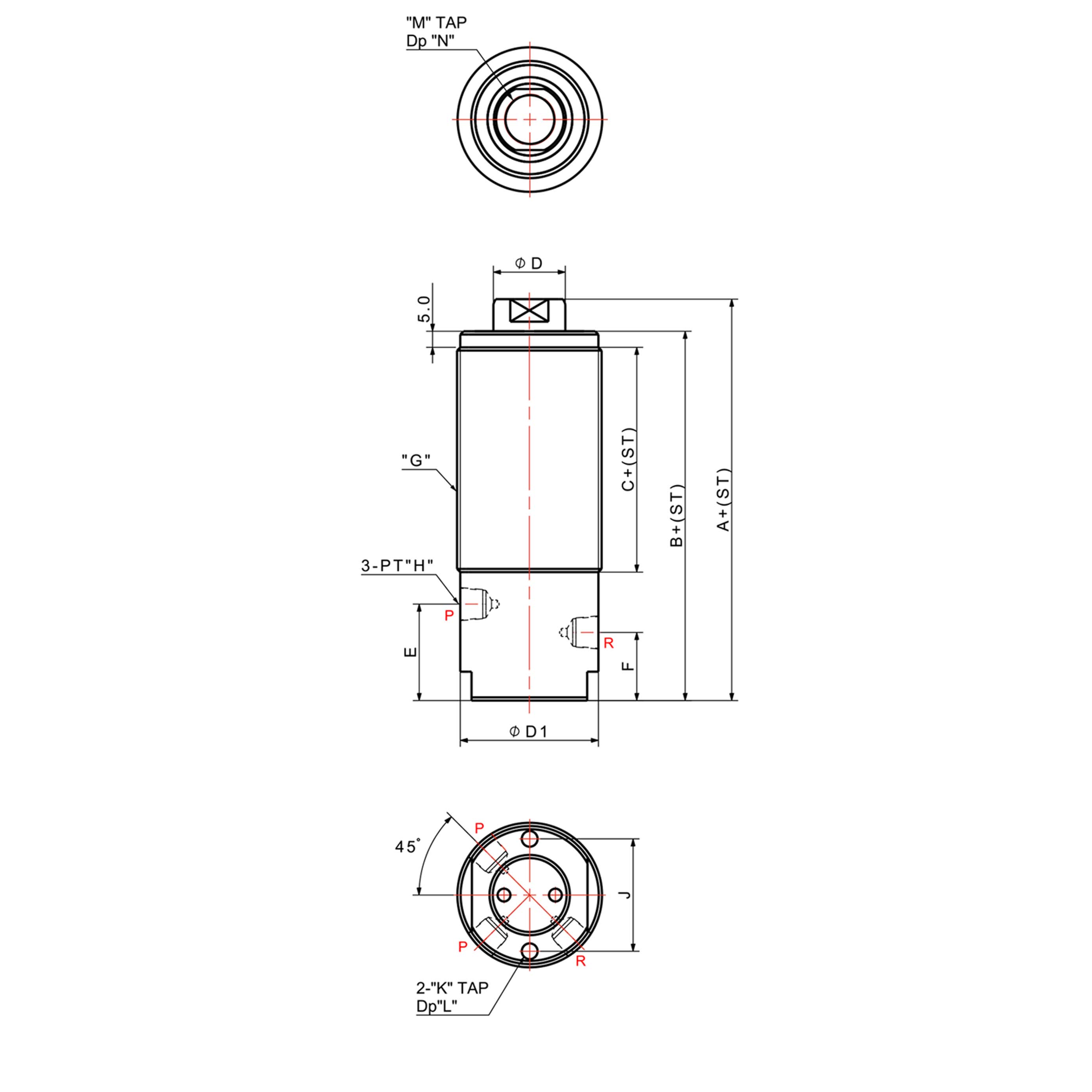
Là loại Kẹp Thủy lực Dạng Thân Ren tác động kép (Double-acting), cung cấp lực đẩy và lực kéo (Push/Pull) đáng tin cậy.
Lắp đặt dễ dàng (Easy installation): Thiết kế thân ren giúp lắp đặt nhanh chóng, chắc chắn bằng cách vặn vào lỗ ren, giúp tiết kiệm không gian và thời gian.
Đa dạng kích thước (Various sizes): Cung cấp nhiều kích thước piston (ø32~ø63) và hành trình (25mm, 50mm) để phù hợp với nhiều ứng dụng kẹp phôi khác nhau.
Năng suất cao: Cơ chế tác động kép giúp tăng tốc độ chu trình kẹp nhả, đạt hiệu suất cao trong tự động hóa đồ gá.
Độ cứng ổn định: Hoạt động ổn định ở áp suất lên đến 250 kgf/㎠, với lực kẹp đẩy tối đa lên đến 7.57 Tấn (@250kgf/㎠ cho TBD-6325/6350), đảm bảo độ cứng cao khi gia công.
Dòng sản phẩm: TBD (Threaded Body Clamp, Double-acting).
Loại vận hành: Thủy lực (Oil), tác động kép (Double-acting).
Dạng lắp đặt: Gắn ren (Threaded Body).
Dải áp suất vận hành: 15 ~ 250 kgf/㎠.
Dải nhiệt độ vận hành: 0 ~ 60 độ C.
Dải đường kính Piston (Piston Dia.): ø32 ~ ø63.
Hành trình (Stroke): 25mm, 50mm.
Mã ví dụ & Lực Kẹp Tối đa (@250kgf/㎠):
TBD-3225: 1.80 Tấn (Piston ø32, Stroke 25mm)
TBD-5050: 4.62 Tấn (Piston ø50, Stroke 50mm)
TBD-6325: 7.57 Tấn (Piston ø63, Stroke 25mm)



| Model No. | DIMENSIONS(mm) | ||||||||||||||
|---|---|---|---|---|---|---|---|---|---|---|---|---|---|---|---|
| A | B | C | øD | øD1 | E | F | G | H | J | K | L | M | N | Piston Dia. | |
| TBD-3225 | 100 | 90 | 45 | 22.4 | 43 | 29 | 22 | M45x1.5P | 1/4 | 35 | M6x1.0P | 15 | M16x2.0P | 15 | ø32 |
| TBD-3250 | 100 | 90 | 45 | 22.4 | 43 | 29 | 22 | M45x1.5P | 1/4 | 35 | M6x1.0P | 15 | M16x2.0P | 15 | ø32 |
| TBD-4025 | 100 | 90 | 43 | 30 | 57 | 29 | 22 | M60x2.0P | 1/4 | 40 | M8x1.25P | 15 | M20x2.5P | 20 | ø40 |
| TBD-4050 | 100 | 90 | 43 | 30 | 57 | 29 | 22 | M60x2.0P | 1/4 | 40 | M8x1.25P | 15 | M20x2.5P | 20 | ø40 |
| TBD-5025 | 105 | 97 | 43 | 40 | 67 | 29 | 22 | M70x2.0P | 1/4 | 48 | M10x1.5P | 15 | M24x3.0P | 22 | ø50 |
| TBD-5050 | 105 | 97 | 43 | 40 | 67 | 29 | 22 | M70x2.0P | 1/4 | 48 | M10x1.5P | 15 | M24x3.0P | 22 | ø50 |
| TBD-6325 | 112 | 97 | 45 | 50 | 77 | 29 | 22 | M80x2.0P | 1/4 | 58 | M12x1.75P | 20 | M30x3.5P | 25 | ø63 |
| TBD-6350 | 112 | 97 | 45 | 50 | 77 | 29 | 22 | M80x2.0P | 1/4 | 58 | M12x1.75P | 20 | M30x3.5P | 25 | ø63 |
THIẾT BỊ CƠ KHÍ ĐỨC PHONG
Hà Nội: Tầng 7, Căn số 32V5A, KĐT Văn Phú, phường Phú La, quận Hà Đông, TP. Hà Nội
Hotline: 0985779287 (Zalo)
website: Thiết bị cơ khí Đức Phong
Mail: Info@ducphong.vn
Hỗ trợ 24/7
Chi nhánh Hồ Chí Minh: 228/55, Thống Nhất, P. 10, Q. Gò Vấp, TP. HCM
Đánh giá Kẹp thủy lực dạng thân ren KJF TBD
Bạn chưa đánh giá sao cho sản phẩm này
Đánh giá ngayHotline
0985779287
Info@ducphong.vn
Hotline
098 5779287 (Zalo)
098 5779287 (Zalo)
vananh.ng@ducphong.vn
Info@ducphong.vn
Hotline: 098 5779287 (Zalo)