Địa chỉ: Tầng 7, Căn số 32V5A, KĐT Văn Phú, phường Phú La, quận Hà Đông, TP. Hà Nội
Thời gian làm việc: Từ 8h - 17h từ Thứ 2 đến Thứ 6. Sáng thứ 7 từ 8h-12h, nghỉ Chủ Nhật
Địa chỉ: 228/55, Thống Nhất, P. 10, Q. Gò Vấp, TP. HCM
Thời gian làm việc: Từ 8h - 17h từ Thứ 2 đến Thứ 6. Sáng thứ 7 từ 8h-12h, nghỉ Chủ Nhật
| Hình | Mã hàng | Mô tả | Giá bán (vnđ) | Số lượng |
|---|
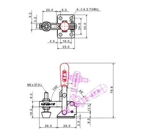
Kẹp gạt loại thẳng KJF-005-11F là một sản phẩm thuộc dòng kẹp nhanh (toggle clamp), cụ thể là kẹp gạt loại thẳng (straight line action clamp) của thương hiệu KJF (Hàn Quốc). Được thiết kế để cung cấp lực kẹp vừa phải 50kg, cùng với thiết kế nhỏ gọn, đế mặt bích để dễ dàng lắp đặt và cơ chế đẩy/kéo theo phương thẳng, chiếc kẹp này là giải pháp lý tưởng cho việc cố định các chi tiết nhỏ trong các ứng dụng cơ khí chính xác, lắp ráp hoặc kiểm tra, đặc biệt khi không gian hạn chế.

Lực kẹp phù hợp: Kẹp có khả năng tạo ra lực kẹp lên đến 50 kgf. Mức lực này đủ để giữ chắc chắn các chi tiết nhỏ, ngăn ngừa sự xê dịch trong quá trình gia công, lắp ráp hoặc kiểm tra, đảm bảo độ chính xác cho công việc.
Thiết kế gạt thẳng (Straight Line Action Type): Kẹp hoạt động bằng cách đẩy hoặc kéo tay cầm theo một đường thẳng, di chuyển thanh kẹp tới hoặc lui để giữ chặt vật liệu. Thiết kế này lý tưởng cho các ứng dụng cần thao tác nhanh chóng và chính xác theo phương ngang hoặc dọc.
Chân đế mặt bích (Flange Base - "F" trong mã sản phẩm): Thiết kế chân đế dạng mặt bích giúp việc lắp đặt kẹp trở nên cực kỳ chắc chắn và ổn định trên mọi bề mặt phẳng, dễ dàng bắt vít vào bàn làm việc, đồ gá hoặc máy móc.
Kích thước nhỏ gọn: Với thiết kế nhỏ, KJF-005-11F phù hợp cho các không gian làm việc chật hẹp hoặc khi cần tích hợp vào các hệ thống tự động hóa nhỏ gọn.
Vật liệu và độ bền: Thân kẹp thường được làm từ thép (có thể mạ kẽm để chống gỉ) với các chi tiết được gia công chính xác, đảm bảo độ bền và tuổi thọ trong môi trường công nghiệp.
Tay cầm: Thường có tay cầm bằng nhựa (màu đỏ) để tăng cường độ bám và sự thoải mái khi thao tác.
Kẹp gạt (toggle clamp) hoạt động dựa trên nguyên lý đòn bẩy và các khớp nối. Khi người dùng đẩy hoặc kéo tay cầm, hệ thống các khớp nối sẽ di chuyển và khóa chặt ở một "điểm chết" (over-center locking action). Tại điểm này, một lực kẹp mạnh mẽ được tạo ra, giữ chặt vật liệu. Để nhả kẹp, chỉ cần thao tác ngược lại, các khớp sẽ mở ra và giải phóng vật liệu. Cơ chế này cho phép thực hiện thao tác kẹp và nhả cực kỳ nhanh chóng và hiệu quả.
Với lực kẹp 50kg, thiết kế gạt thẳng và kích thước nhỏ gọn, Kẹp gạt loại thẳng KJF-005-11F lý tưởng cho nhiều ứng dụng công nghiệp nhẹ và trung bình:
Jig và đồ gá: Cố định chi tiết nhỏ trong các jig gá cho máy khoan, máy phay mini, hoặc các hệ thống gia công tự động hóa.
Lắp ráp điện tử: Giữ chặt các bảng mạch, linh kiện nhỏ trong quá trình hàn, lắp ráp.
Kiểm tra và đo lường: Cố định các mẫu vật hoặc chi tiết cần kiểm tra trên bàn đo, đảm bảo không xê dịch.
Ngành gỗ: Kẹp các chi tiết gỗ nhỏ khi dán, khoan hoặc gia công.
Sản xuất thủ công mỹ nghệ: Giúp cố định các vật liệu trong quá trình chế tác.
Các thiết bị tự động hóa: Tích hợp vào các dây chuyền sản xuất tự động hoặc bán tự động để kẹp/nhả chi tiết nhanh chóng và chính xác.
THIẾT BỊ CƠ KHÍ ĐỨC PHONG
Hà Nội: Tầng 7, Căn số 32V5A, KĐT Văn Phú, phường Phú La, quận Hà Đông, TP. Hà Nội
Hotline: 0985779287 (Zalo)
website: Thiết bị cơ khí Đức Phong
Mail: Info@ducphong.vn
Hỗ trợ 24/7
Chi nhánh Hồ Chí Minh: 228/55, Thống Nhất, P. 10, Q. Gò Vấp, TP. HCM
Đánh giá Kẹp gạt loại thẳng KJF-005-11F (Lực kẹp 50 kg)
Bạn chưa đánh giá sao cho sản phẩm này
Đánh giá ngayHotline
0985779287
Info@ducphong.vn
Hotline
098 5779287 (Zalo)
098 5779287 (Zalo)
vananh.ng@ducphong.vn
Info@ducphong.vn
Hotline: 098 5779287 (Zalo)